[RAQ] Jak zmierzyć i określić czas miękkiego startu, gdy nie jest on opisany równaniem? [cz. 2]
Pytanie
Jaki wpływ na czas miękkiego startu ma użycie dwuwyjściowej przetwornicy DC-DC jako układu dwufazowego z pojedynczym wyjściem?

Odpowiedź
Jeśli układ ma dwa oddzielne wyprowadzenia miękkiego startu, to każde z nich ma własne źródło prądowe. Mogą być teraz połączone równolegle w celu zaimplementowania układu z pojedynczym wyjściem. W takim przypadku wypadkowe źródło prądowe ma wydajność zwiększoną 2-krotnie. Przy zastosowaniu takiego samego kondensatora wyjściowego, zależności czasowe będą o połowę krótsze niż pierwotnie. Aby osiągnąć ten sam czas miękkiego startu, pojemność kondensatora miękkiego startu musi zostać podwojona.
Streszczenie
Układy scalone zarządzania energią (PMIC) często zawierają wbudowaną funkcję znaną jako miękki start (soft start). Funkcja miękkiego startu występuje głównie w zasilaczach impulsowych, ale można ją również znaleźć w zasilaczach liniowych (LDO). Miękki start jest stosowany w celu ograniczenie prądu rozruchowego podczas uruchamiania urządzenia. Polega to na kontrolowanym, stopniowym zwiększaniu napięcia wyjściowego. Dzięki temu można zapobiegać nagłym skokom prądu lub napięcia przy pierwszym włączeniu zasilania. Większość zasilaczy impulsowych posiada funkcję miękkiego startu, która może być regulowana zewnętrznie lub ustalana wewnętrznie. Istnieją przypadki, w których równanie miękkiego startu nie jest podane w danych katalogowych, nawet wtedy, gdy układ scalony obsługuje funkcję miękkiego startu. W dwuczęściowym artykule zostały wyjaśnione różne mechanizmy miękkiego startu, podano też zalecenia dotyczące oceny i pomiaru czasu miękkiego startu, gdy w danych katalogowych nie podano odpowiedniego równania. Omówiono również sytuacje, w których układ scalony nie ma funkcji miękkiego startu, ale jest ona wymagana w projekcie.
Jak przewidzieć tSS, czas miękkiego startu? – ciąg dalszy rozważań
Czasami do zasilania wzmacniaczy RF preferowane jest najpierw podłączenie zasilania, a następnie podłączenie obciążenia. Takie podejście zapewnia, że zasilanie jest podnoszone, gdy prąd obciążenia jest bardzo mały lub nie ma go wcale. Pozwala to zmniejszyć prąd rozruchowy. Scenariusz ten przedstawiono na rysunku 11, a w rezultacie czas rozruchu skraca się do ~12 ms. Nawet w przypadku korzystania z obciążenia cyfrowego w trybie CC (stały prąd), w którym obciążenie jest ustawione na określoną wartość, np. 0,19 A lub 0,38 A, nadal można zaobserwować czas rozruchu wynoszący ~12 ms – podobnie jak bez podłączonego obciążenia. Tryb CC może oznaczać wysoką impedancję dla przetwornicy DC-DC, więc należy zachować ostrożność, aby dokładnie zmierzyć czas miękkiego startu we wszystkich możliwych scenariuszach.

Rys. 11. Pojemność C6 jest równa 0,22 μF, brak prądu obciążenia
Gdy równanie miękkiego startu nie jest uwzględnione, użytecznym narzędziem do przewidywania zachowania układu może być LTspice®. Na rysunku 12 widzimy wynik symulacji LTspice pomiaru, którego wyniki zostały przedstawione na rysunku 10. Jest to czas rozruchu wynoszący ~500 ms. Symulacja bez obciążenia i z prądami 0,19 A, gdy zastosowano kondensator miękkiego startu 0,22 μF, również pokazuje prawidłowe wyniki ~12 ms i ~50 ms, (rys. 11 i 8). Wykorzystując symulacje LTspice, można przewidzieć zachowanie obwodu i oszacować czas miękkiego startu, nawet jeśli równanie miękkiego startu nie jest wyraźnie podane. Może to być cenne narzędzie do zrozumienia i optymalizacji wydajności układu.

Rys. 12. Symulacja LTspice przebiegu startowego LT8362, który odpowiada rysunkowi 10

Rys. 13. Symulacja LTspice dla LT8362 pokazuje prawidłowe wyniki i odpowiada rysunkom 11 i 8
Dodawanie miękkiego startu, gdy go niema
Gdy w układzie scalonym nie ma miękkiego startu, prąd, który układ ten będzie próbował dostarczyć do kondensatorów wyjściowych, jeśli nie są one naładowane, to prąd maksymalny lub wynikający z ograniczenia. Aby dodać funkcję miękkiego startu, do zapewnienia ochrony wymagane są dodatkowe elementy dyskretne, takie jak kombinacja RC umożliwiająca uzyskanie opóźnienia czasowego i opcjonalnie dioda lub tranzystor FET. Układ LT3990 to przetwornica obniżająca napięcie, która ma tranzystory FET 62 V/0,35 A, bardzo niski IQ (prąd spoczynkowy), kwalifikację AEC-Q100, szeroki zakres częstotliwości pracy i bardzo niskie tętnienia napięcia wyjściowego. Nie ma on jednak funkcji miękkiego startu. Dane katalogowe określają typowe ograniczenie prądu przełącznika na 0,7 A. Aby ocenić zachowanie układu LT3990 przed i po dodaniu dyskretnych elementów realizujących funkcję łagodnego startu, można użyć wbudowanego przykładowego układu LTspice (pokazanego na rysunku 14). Układ ten przekształca napięcie 10 V na 5 V/0,35 A. Symulując obwód, można zaobserwować, że bez funkcji miękkiego startu prąd cewki indukcyjnej osiąga typową wartość graniczną prądu podczas uruchamiania (rys. 15).

Rys. 14. Wbudowany obwód demonstracyjny LTspice dla LT3990

Rys. 15. Prąd cewki indukcyjnej LT3990 osiągający limit prądu podczas uruchamiania
Dodanie prostej kombinacji RC i diody zabezpieczającej na wyprowadzeniu FB może zapewnić stopniowy wzrost napięcia FB, co spowalnia napięcie rozruchowe i zmniejsza prąd rozruchowy (rys. 16). Na rysunku 17 zilustrowano symulację układu wykazującego początkowy skok prądu, aczkolwiek o krótszym czasie trwania. Takie podejście pozwala na kontrolowany wzrost zarówno prądu, jak i napięcia wyjściowego, zapewniając opłacalną metodę włączenia funkcji miękkiego startu. Ważne jest jednak, aby wziąć pod uwagę, że to rozwiązanie może mieć wpływ na pin power-good (PG). Pin PG będzie wykazywał wolniejszy wzrost ze względu na układ miękkiego startu, co może sprawić, że to rozwiązanie będzie nieodpowiednie dla tych projektów, które opierają się na szybkim sygnale power-good.

Rys. 16. Dodanie C4, R6 i D1 w celu polaryzacji pinu FB LT3990 i spowolnienia rozruchu

Rys. 17. Wynik symulacji nadal pokazuje prąd szczytowy, ale wolniejsze narastanie prądu
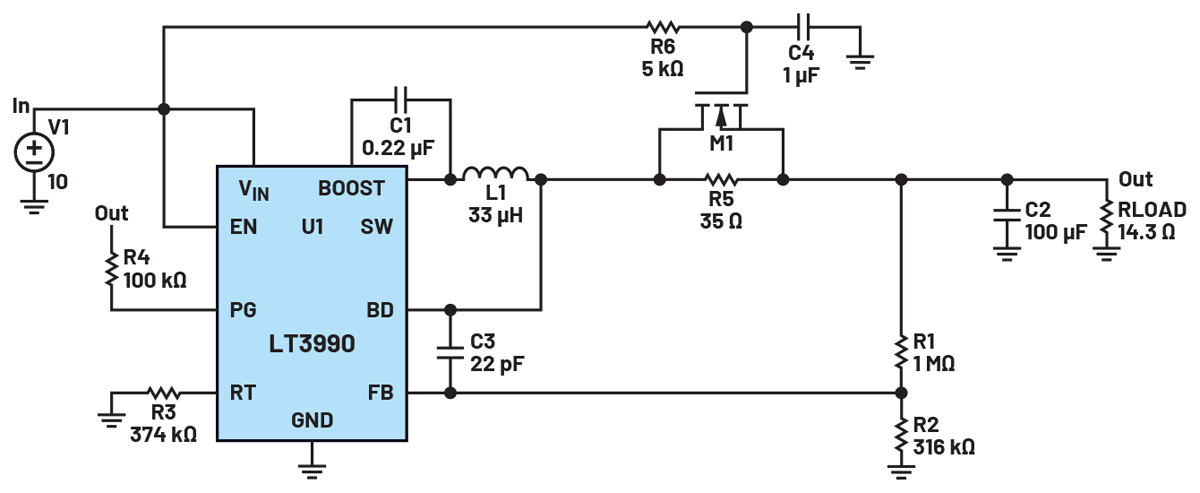
Aby całkowicie wyeliminować prąd udarowy podczas rozruchu, alternatywnym podejściem jest dodanie rezystora szeregowego, który będzie zwierany przez tranzystor FET. Czas potrzebny na osiągnięcie przez FET wartości znamionowej Vgs(th) i rozpoczęcie przewodzenia jest określany przez stałą czasową RC i zasilanie wejściowe. Na rysunku 18 zilustrowano przykładowy układ, który wykorzystuje to podejście, na rysunku 19 pokazano natomiast wynik symulacji. Dzięki zastosowaniu tej konfiguracji prąd udarowy jest skutecznie eliminowany podczas uruchamiania. Stała RC, określona przez wartości rezystora i kondensatora, wraz z charakterystyką zasilania wejściowego, określa czas potrzebny tranzystorowi FET do osiągnięcia napięcia progowego i rozpoczęcia przewodzenia. Pozwala to na kontrolowany i stopniowy wzrost napięcia i prądu wyjściowego, eliminując prąd udarowy zwykle związany z rozruchem.
Metoda ta zapewnia niezawodne wdrożenie funkcji miękkiego startu i zapewnienie płynnego i kontrolowanego rozruchu bez prądu udarowego. Ważne jest jednak, aby starannie dobrać wartości rezystora, kondensatora i tranzystora FET, aby osiągnąć pożądane zachowanie miękkiego startu. Należy ponadto brać pod uwagę wymagania dotyczące zasilania i obciążenia układu.

Rys. 18. Dodanie M1 i RC spowoduje ominięcie rezystora ograniczającego R5

Rys. 19. Prąd jest najpierw ograniczany przez R5, bez skoków prądu, po osiągnięciu Vgs(th) prąd stopniowo wzrasta
Wyprowadzenie PG w tej symulacji może również nie zachowywać się normalnie, jak oczekuje się od otwartego drenu, więc może być nieodpowiednie dla wszystkich projektów.
Wnioski
Istnieją implementacje miękkiego startu napięciowego i prądowego. Zależność między czasem miękkiego startu tSS a pojemnością CSS jest zazwyczaj liniowa w przypadku miękkiego startu napięciowego. W przypadku softstartu prądowego równanie staje się bardziej skomplikowane ze względu na zależność od prądu obciążenia, napięcia wyjściowego i pojemności wyjściowej. Dane katalogowe mogą nie zapewniać jednoznacznego równania dla miękkiego startu w trybie prądowym, i aby zrozumieć minimalne i maksymalne wartości czasu miękkiego startu, konieczne może być przetestowanie różnych scenariuszy prądu obciążenia. Dobrym sposobem na przewidzenie tSS dla części korzystających z prądowego miękkiego startu jest symulacja za pomocą LTspice. W przypadku układów scalonych, które nie zawierają wbudowanej funkcji miękkiego startu, do generowania stopniowego wzrostu napięcia wyjściowego wymagane są dodatkowe elementy. Bez nich układ scalony będzie dostarczał maksymalny prąd po włączeniu, co może nie być pożądane w niektórych zastosowaniach. Podsumowując, przy wdrażaniu miękkiego startu ważne jest, aby zrozumieć konkretną implementację (tryb napięciowy lub tryb prądowy) i przetestować różne scenariusze obciążenia w celu określenia czasu miękkiego startu.
Autor: Rani Feldman, Field Applications Engineer
Rani Feldman dołączył do Analog Devices w 2017 roku jako starszy inżynier ds. zastosowań terenowych. Wcześniej przez trzy lata pracował dla Linear Technology (obecnie część ADI). Uzyskał tytuł licencjata w dziedzinie inżynierii elektronicznej w Afeka College w Izraelu oraz tytuł magistra w dziedzinie biznesu i administracji w Holon Institute of Technology w Izraelu.

[RAQ] Analiza zasilaczy impulsowych i prostowników: przekroczenia parametrów cewki indukcyjnej
[RAQ] Jak używając transceivera IO-Link do zarządzania łączem danych można uprościć wybór mikrokontrolera?
[RAQ] Czy można sterować tranzystorami GaNFET za pomocą sterownika DC-DC pierwotnie zaprojektowanego dla krzemowych tranzystorów MOSFET? 





