Układ pomiaru tętna, który może zbudować nawet początkujący elektronik
Celem ćwiczenia jest praktyczna nauka używania wzmacniaczy operacyjnych i filtrów na przykładzie prostego przyrządu służącego do pomiaru tętna. Na jego wyjściu pojawia się sygnał reprezentujący ludzkie tętno, który będzie wyświetlany w narzędziu Scopy (oscyloskop) zestawu ADALM2000.
Nauczysz się, jak sterować diodą LED IR i fototranzystorem czułym na podczerwień, jak zaprojektować i zrozumieć działanie filtra dolnoprzepustowego oraz zbadać cechy wzmacniaczy operacyjnych pracujących w różnych konfiguracjach.
Przekonasz się też, jak łącząc poznane już wcześniej podstawowe układy elektroniczne, można je zaimplementować w konkretnym praktycznym zastosowaniu.
Wprowadzenie
Zasada działania układu służącego do pomiaru tętna opiera się na analizie wiązki podczerwonej przepuszczanej przez opuszek palca. Nadajnik IR jest umieszczany z jednej strony palca, a po jego przeciwnej stronie jest umocowany detektor podczerwieni. Natężenie wiązki zmienia się proporcjonalnie do gęstości krwi przepływającej przez palec, a ta zmienia się w rytm pracy serca. Zastosowany w detektorze fototranzystor działa jak rezystor zmienny, przewodząc różne wartości prądu w zależności od natężenia odbieranego światła (podczerwieni).
Wahania napięcia zmieniają się wraz z biciem serca i są rejestrowane na kolektora fototranzystora. Tak uzyskany niewielki sygnał jest jeszcze podawany do kolejnych stopni, po to, by możliwa była wygodna obserwacja przebiegu na oscyloskopie. Te stopnie to:
Przedwzmacniacz – sygnał wyjściowy z układu pomiaru tętna jest odsprzęgany przez kondensator szeregowy i wzmacniany w układzie ze sprzężeniem zwrotnym realizowanym za pomocą rezystora R3.
Filtr dolnoprzepustowy – filtr RC, który odcina wysokie częstotliwości (szum).
Wtórnik napięciowy – buforuje wyjście filtra dolnoprzepustowego i odtwarza sygnał na wyjściu o niskiej impedancji.
Wzmacniacz odwracający z filtrem dolnoprzepustowym – wzmacnia sygnał napięciowy i odcina wysokie częstotliwości (szum).
Materiały
- Zestaw ADALM2000
- Stykowa płytka prototypowa z zestawem przewodów połączeniowych
- Precyzyjny wzmacniacz operacyjny OP484 typu rail-to-rail – 1 szt.
- Rezystor 100 Ω – 1 szt.
- Rezystor 470 Ω – 1 szt.
- Rezystor 1 kΩ – 1 szt.
- Rezystor 10 kΩ – 1 szt.
- Rezystor 47 kΩ – 2 szt.
- Kondensator 1 µF – 2 szt.
- Kondensator 47 µF – 1 szt.
- Dioda LED podczerwona (QED-123) – 1 szt.
- Fototranzystor na podczerwień (QSD-123) – 1 szt.
Instrukcje
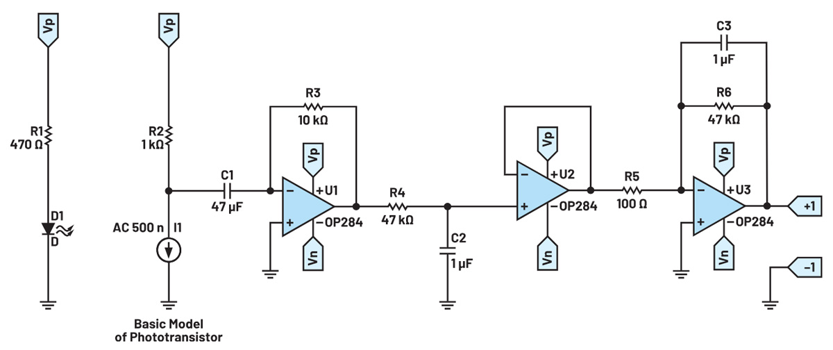
Zmontuj na prototypowej płytce stykowej układ pomiaru tętna (zaprojektowany w LTspice®), jak pokazano na rys. 1.

Rys. 1. Układ pomiaru tętna
W symulacji LTspice zastosowano układy OP284, które są zawarte w standardowym zestawie modeli LTspice. Układ fizyczny został zbudowany z poczwórnego wzmacniacza OP484FPZ z zestawu Analog Parts Kit ADALP2000 i jest zasilany napięciem ±5 V z modułu ADALM2000 (całkowite napięcie zasilania 10 V).
Dioda podczerwona (IR)
Aby uzyskać odpowiedni prąd, który nie uszkodzi diody IR, należy dodać szeregowo rezystor ograniczający. Zmiana wartości w zakresie roboczym zmienia intensywność emitowanego sygnału przez diodę podczerwoną. Poniższy wzór wyraża wartość prądu przewodzenia (IF) przez diodę podczerwoną LED, przy danym dodatnim napięciu zasilania 5 V (VP), rezystancję szeregową (R1) i spadek napięcia przewodzenia na diodzie LED (VF):

Fototranzystor
Aby uzyskać informacje z fototranzystora (Q1) w momencie jego kontaktu ze światłem podczerwonym, zaprojektowano układ wzmacniacza ze wspólnym emiterem. Układ ten generuje sygnał wyjściowy, który przechodzi ze stanu wysokiego do niskiego, gdy fototranzystor wykryje światło w zakresie podczerwieni. Napięcie wyjściowe jest wytwarzane poprzez podłączenie rezystora (R2) między napięcie zasilania a wyprowadzenie kolektora. Rezystancja R2 została ustalona eksperymentalnie.
Przedwzmacniacz
Sygnał wejściowy z układu pomiaru tętna jest podawany do układu wzmacniacza różniczkującego (C1, A1, R3). Kondensator blokuje składową stałą. Elementy C1 i R3, działają jak filtr górnoprzepustowy o częstotliwości odcięcia FC1, określonej następującym wzorem:
Oprócz filtrowania, stopień ten pełni również funkcję wzmacniacza, przyjmując na wejściu prąd (IA1) i wytwarzając na wyjściu odwrócone napięcie (VA1) zależne od rezystancji ujemnego sprzężenia zwrotnego (R3):
Aktywny filtr dolnoprzepustowy
Filtry aktywne są zbudowane w oparciu o wzmacniacze operacyjne. Pobierają one energię z zewnętrznego źródła zasilania i wykorzystują ją do wzmocnienia sygnału wyjściowego. Zasada działania i charakterystyka częstotliwościowa aktywnego filtra dolnoprzepustowego są takie same jak w przypadku prostego filtra dolnoprzepustowego RC, z tą różnicą, że do wzmocnienia i jego regulacji używany jest wzmacniacz operacyjny.
Aktywny filtr dolnoprzepustowy pierwszego rzędu (A2, R4, C2) składa się po prostu z pasywnego stopnia filtra RC, który przepuszcza sygnały o niskich częstotliwościach do nieodwracającego wejścia wzmacniacza.
Filtr ma na celu odcięcie wysokich częstotliwości odpowiadających sygnałowi szumu. Biorąc pod uwagę, że tętno nie przekracza 180 uderzeń na minutę (bpm), a zależność między bpm a częstotliwością jest następująca:
W rezultacie częstotliwości powyżej 3 Hz powinny zostać odcięte. Filtr dolnoprzepustowy RC został zaprojektowany dla wspomnianej wartości częstotliwości przy zastosowaniu wzoru:
Wzmacniacz jest skonfigurowany jako wtórnik napięciowy (bufor), co zapewnia mu wzmocnienie DC równe jeden, AV = 1.
Zaletą tej konfiguracji jest to, że wysoka impedancja wejściowa wzmacniaczy operacyjnych zapobiega nadmiernemu obciążeniu wyjścia filtrów, a niska impedancja wyjściowa zapobiega wpływowi zmian impedancji obciążenia na punkt odcięcia filtrów. Chociaż konfiguracja ta zapewnia dobrą stabilność filtra, jej główną wadą jest brak wzmocnienia napięciowego powyżej jedności, AV = 1. Wzmocnienie mocy jest jednak bardzo wysokie, ponieważ impedancja wyjściowa stopnia filtra jest znacznie niższa niż impedancja wejściowa.
Wzmacniacz końcowy z filtrem dolnoprzepustowym
Stopień końcowy jest skonfigurowany jako układ całkujący (integrator) zbudowany na wzmacniaczu operacyjnym sygnału AC ze stałoprądową regulacją wzmocnienia. Mówiąc prościej, układ ma na celu filtrowanie dolnoprzepustowe (R4, C2) sygnału z pozostałych niepotrzebnych częstotliwości, które są wyższe niż maksymalna częstotliwość bicia serca, i wzmocnienie przez wzmacniacz odwracający sygnału użytecznego ze wzmocnieniem (AV) określonym przez stosunek R6 do R5:

Symulacja
Przeprowadzimy dwa rodzaje symulacji układu w programie LTspice:
- Symulacja przejściowa: Podłącz na wejściu układu źródło sygnału. Skonfiguruj je tak, aby generowało sinusoidę o amplitudzie 500 µV, częstotliwości 2 Hz i przesunięciu 500 mV. Obserwuj amplitudę sygnału wyjściowego, aby graficznie określić całkowite wzmocnienie ukłąduu (rys. 2).

Rys. 2. Analiza napięcia wyjściowego w stanach przejściowych
- Analiza AC: Podłącz do układu źródło napięcia przemiennego o amplitudzie 500 µV. Obserwuj sygnał wyjściowy w wybranej dziedzinie częstotliwości (od 100 mHz do 1 kHz), określ graficznie, w którym zakresie częstotliwości sygnał wyjściowy ma największe wzmocnienie (rys. 3).

Rys. 3. Charakterystyka częstotliwościowa
Konfiguracja sprzętowa
Do zasilenia układu użyj zmiennego dodatniego i ujemnego źródła zasilania z modułu ADALM2000 ustawionego na 5 V. Użyj kanału 1 oscyloskopu do monitorowania napięcia na węźle kolektora VOUT.
Układ zaimplementowany na płytce stykowej powinien wyglądać tak, jak na rys. 4. Niebieska dioda LED reprezentuje diodę podczerwoną IR, a szara – fototranzystor.

Rys. 4. Układ pomiaru tętna na płytce stykowej
Procedura
Umieść czubek palca między diodą podczerwoną IR (D1) a fototranzystorem (Q1). Nadajnik i odbiornik powinny być ustawione w jednej linii i skierowane do siebie.
Zaobserwuj przebieg napięcia na wyjściu wzmacniacza operacyjnego trzeciego stopnia (A3). Przykład przebiegu wyjściowego przedstawiono na rys. 5.

Rys. 5. Przebieg wyjściowy sygnału tętna
Uruchom pomiar częstotliwości w narzędziu Scopy i odczytaj częstotliwość mierzonego sygnału. Przelicz częstotliwość na uderzenia na minutę, Będzie to zmierzone Twoje tętno.
Pytania:
- Oblicz następujące parametry:
- Prąd przewodzenia przez diodę LED IR (skorzystaj z karty katalogowej QED-123)
- Częstotliwość odcięcia filtra górnoprzepustowego
- Częstotliwość odcięcia drugiego stopnia filtra dolnoprzepustowego
- Częstotliwość odcięcia trzeciego stopnia filtra dolnoprzepustowego
- Wzmocnienie trzeciego stopnia wzmacniacza
- Jakie parametry zmieniają się po modyfikacji rezystora R5?
- Jakie parametry zmieniają się po modyfikacji rezystora R6?
Odpowiedzi można znaleźć na blogu StudentZone.
Autorzy: Doug Mercer i Antoniu Miclaus
Opracowanie: Jarosław Doliński


Układy scalone czujników temperatury
Strojony wzmacniacz rezonansowy
Eksperymenty z filtrami polifazowymi 




![https://www.youtube.com/watch?v=kmvM5hVSzCM Piata już edycja konferencji Hardware Design Masterclasses dla elektroników zaskoczyła frekwencją, tym bardziej, że spotkanie było dwudniowe. Film jest krótką relacją z wydarzenia, bazującą na wypowiedziach prelegentów. [materiał redakcyjny] Zapraszamy do obejrzenia!](https://mikrokontroler.pl/wp-content/uploads/2026/01/Rafal-tytulowe.png)

