Modulator kołowy z diodami
Modulatory kołowe to układy stosowane w wielu urządzeniach elektronicznych. Artykuł opisuje podstawową konfigurację modulatora zbudowanego z użyciem diod. Należy zaznaczyć, że w polskiej nomenklaturze technicznej spotykamy nazwy: modulator kołowy, modulator pierścieniowy, a także oryginalną nazwę angielską – ring modulator.
Celem ćwiczenia opisanego a artykule jest omówienie działania modulatora kołowego z diodami, wskazanie niektórych jego zastosowań oraz poznanie podstaw generowania sygnałów z podwójną wstęgą boczną i tłumioną nośną (DSBSC).
Materiały
- Uniwersalny zestaw pomiarowy ADALM2000
- Stykowa płytka prototypowa bez lutowania
- Rezystory 100 Ω – 4 szt.
- Rezystory 1 kΩ – 2 szt.
- Diody 1N914 – 4 szt.
- Transformator z odczepem (jeśli jest dostępny) – 2 szt.
Podstawy teoretyczne
W komunikacji elektronicznej modulator zrównoważony to układ wytwarzający sygnały DSBSC. Tłumi on częstotliwość nośną, pozostawiając na wyjściu sumę i różnicę częstotliwości nośnej i modulującej. Sygnał wyjściowy nie zawiera nośnej, ale nadal zawiera wszystkie informacje zawarte w tradycyjnym sygnale AM. Uzyskujemy przez to oszczędność energii podczas transmisji sygnału.
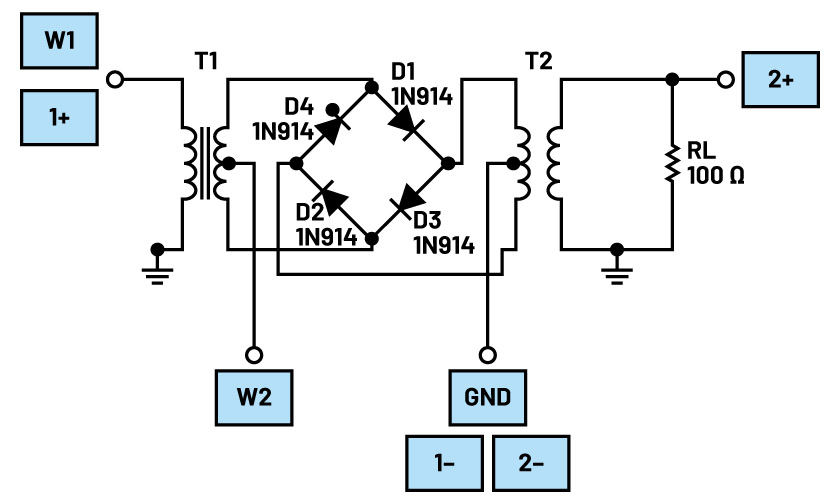
Jednym z najpopularniejszych modulatorów symetrycznych jest diodowy modulator kołowy, znany również jako lattice modulator lub modulator sieciowy. Składa się on z czterech diod połączonych w pierścień, stąd jego nazwa, a także transformatora wejściowego i wyjściowego. Modulator ma dwa wejścia: pojedynczą częstotliwość nośną i sygnał modulujący, który może być przebiegiem złożonym, zawierającym wiele częstotliwości składowych. Częstotliwość nośna jest podawana na środkowe odczep transformatora wejściowego i wyjściowego, a sygnał modulujący trafia na uzwojenie pierwotne transformatora wejściowego. Sygnał wyjściowy jest pobierany z uzwojenia wtórnego transformatora wyjściowego. Schemat diodowego modulatora kołowego w dwóch różnych konfiguracjach przedstawiono na rysunku 1.

Rys. 1. Diodowy modulator kołowy
Diodowy modulator kołowy jest jednym z najczęściej stosowanych układów w komunikacji elektronicznej. Oprócz wytwarzania sygnałów DSBSC, jest on również stosowany w systemach modulacji częstotliwości i fazy, a także w cyfrowych systemach modulacji, takich jak PSK i QAM.
Należy pamiętać o zachowaniu odpowiedniej orientacji diod w modulatorze kołowym, i nie pomylić jej z orientacją diod w mostku prostowniczym. Choć oba mostki wyglądają podobnie, to wszystkie diody modulatora kołowego są skierowane zgodnie z ruchem wskazówek zegara lub przeciwnie do ruchu wskazówek zegara, natomiast diody mostka prostowniczego są połączone anodami w jednym węźle mostka i katodami w węźle przeciwległym.
Działanie
W modulatorze kołowym mogą być stosowane diody krzemowe, diody Schottky’ego lub diody wykonane z arsenku galu. Służą one jako przełączniki sterujące, decydując czy sygnał wejściowy jest przepuszczany z odwróceniem fazy o 180°, czy bez. Poszczególne diody są włączane sygnałem częstotliwości nośnej. Włączanie i wyłączanie diod przebiega z dużą szybkością. Ważna uwaga: aby modulator działał, amplituda fali nośnej musi być odpowiednio wyższa niż amplituda sygnału modulującego (około sześć do siedmiu razy).
W trakcie dodatniej połowy cyklu diody D1 i D2 są spolaryzowane w kierunku przewodzenia, więc są włączone, a diody D3 i D4 są spolaryzowane w kierunku zaporowym i działają jak obwody otwarte. Prąd nośnej jest następnie równo dzielony na środkowym odczepie uzwojenia wtórnego transformatora wejściowego i płynie w przeciwnych kierunkach przez górną i dolną połowę uzwojenia. Prądy w górnej i dolnej części wytwarzają pola magnetyczne, które są równe i przeciwnie do siebie skierowane. W rezultacie znoszą się one wzajemnie, a fala nośna jest tłumiona. W ten sposób sygnał modulujący jest przesyłany z transformatorów wejściowych do wyjściowych przez diody D1 i D2 bez odwracania fazy. Na rysunku 2 przedstawiono pracę diodowego modulatora kołowego podczas dodatniego półokresu fali nośnej.

Rys. 2. Praca w dodatnim półokresie
Z kolei na rysunku 3 przedstawiono działanie diodowego modulatora kołowego w ujemnym półokresie. Diody D1 i D2 są spolaryzowane zaporowo, są więc wyłączone, natomiast diody D3 i D4 są spolaryzowane w kierunku przewodzenia i są włączone. Podobnie to samo dzieje się z prądem nośnej. Dzieli się on równo w pierwotnym uzwojeniu transformatora wyjściowego, a oba prądy wytwarzają pola magnetyczne równe i przeciwne skierowane. Oba prądy łączą się w uzwojeniu wtórnym transformatora wejściowego, pola magnetyczne znoszą się, a prąd nośnej jest tłumiony. Sygnał modulujący przechodzi przez transformator wejściowy i przed dotarciem do transformatora wyjściowego ulega odwróceniu fazy o 180°.

Rys. 3. Praca w ujemnym półokresie
Na rysunku 4 przedstawiono przebiegi diodowego modulatora kołowego na wykresie czasowym.

Rys. 4. Przebiegi występujące w diodowym modulatorze kołowym: a) sygnał modulujący, b) sygnał nośnej, c) sygnał DSBSC na pierwotnym uzwojeniu transformatora wyjściowego oraz d) przebieg DSBSC po filtrowaniu
Przebieg wyjściowy diodowego modulatora kołowego ma stłumiony sygnał nośny i składa się z sumy i różnicy częstotliwości nośnej modulującej. Są to impulsy RF, które przyjmują kształt i amplitudę sygnału modulującego z częstotliwością sygnału nośnego. W idealnym przypadku sygnał nośny jest całkowicie tłumiony. W rzeczywistości jednak tak się nie dzieje. Niewielka składowa nośna zawsze występuje w sygnale wyjściowym, i nazywany jest wyciekiem nośnej. Jest tak z kilku powodów: po pierwsze, jeśli transformatory nie mają idealnie wyprowadzonych odczepów w środku uzwojenia, po drugie, jeśli diody nie są idealnie dopasowane.
Konfiguracja sprzętu
Zbuduj obwód pokazany na rysunku 5 na płytce prototypowej. W pierścieniu diodowym użyj szybkich diod przełączających 1N914. Ustaw generator W1 jako sinusoidalny sygnał modulujący 1 kHz o amplitudzie międzyszczytowej 1 V. Ustaw W2 jako sinusoidalną falę nośną o częstotliwości 10 kHz i amplitudzie międzyszczytowej 3 V. Transformatory wejściowe i wyjściowe powinny mieć przekładnię 1:2 (stosunek zwojów). Można eksperymentować z innymi przekładniami i porównać wyniki. Do tego ćwiczenia potrzebny jest transformator Hexa-Path Magnetics z uzwojeniem HP3, HP4, HP5 lub HP6. Jeśli nie jest on dostępny, można przeprowadzić symulację w programie LTspice.

Rys. 5. Schemat diodowego modulatora pierścieniowego zmontowanego na płytce prototypowej
Procedura
Obserwuj przebieg wyjściowy układu. Powinien być podobny do przebiegu z symulacji (rysunek 6).

Rysunek 6. Przebieg DSBSC
Pytania
- Zmień przekładnie transformatorów wejściowych i wyjściowych. Obserwuj i porównaj przebiegi wyjściowe.
- Zamień pozycje W1 i W2 na schemacie. Porównaj z pierwotnym przebiegiem wyjściowym. Co dzieje się z przebiegiem wyjściowym?
Uproszczony modulator kołowy z diodami
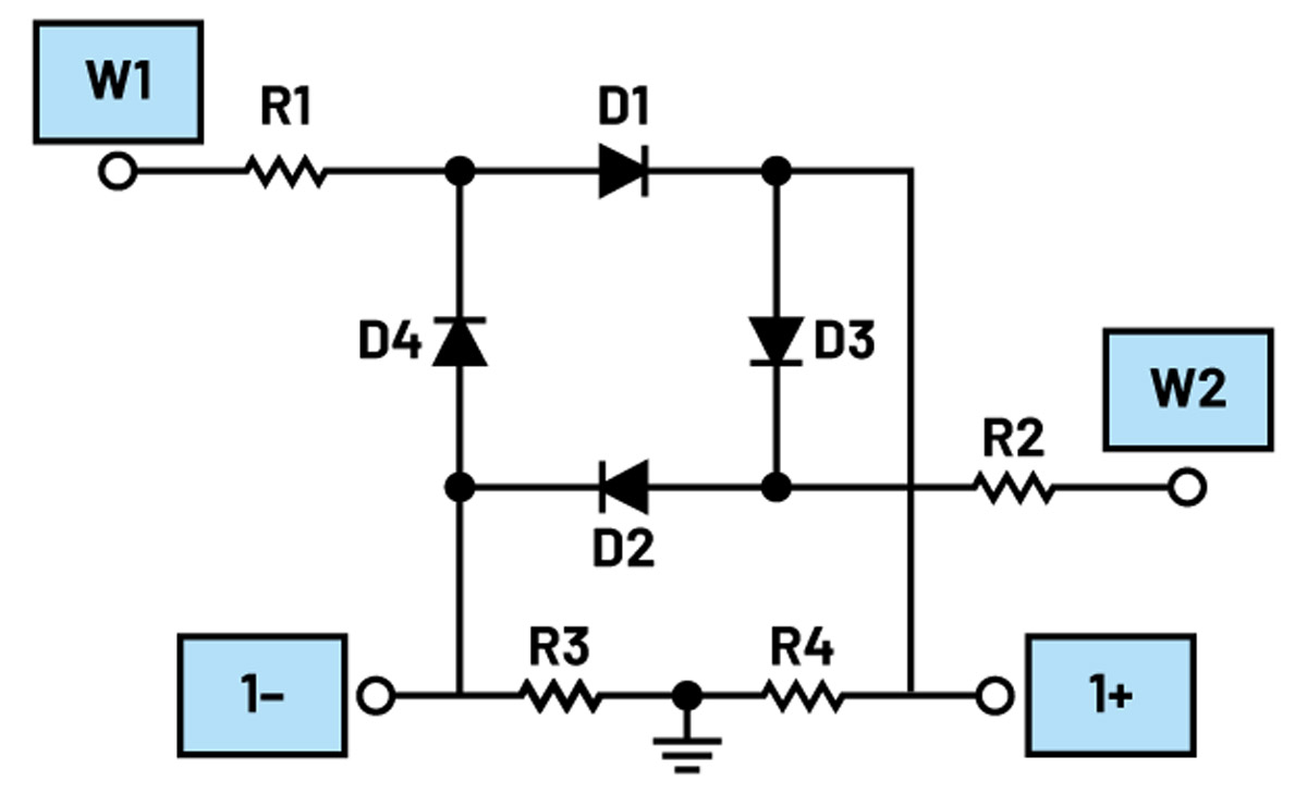
Na rysunku 7 przedstawiono uproszczoną wersję diodowego modulatora kołowego, w którym zostały wyeliminowane transformatory. Zarówno suma, jak i różnica sygnału nośnego i modulującego są podawane do przeciwległych złączy pierścienia diodowego z zestawu ADALM2000 poprzez dwa rezystory wejściowe o niskiej rezystancji, R1 i R2, eliminując w ten sposób transformator wejściowy. Napięcie wyjściowe można zmierzyć na rezystorach wyjściowych R3 i R4 o wysokiej rezystancji. Rezystory te zastępują wówczas transformator wyjściowy.

Rys. 7. Uproszczony (bez transformatora) diodowy modulator kołowy
Konfiguracja sprzętu
Beztransformatorowa wersja diodowego modulatora kołowego może być łatwo zasilana sumą sygnałów nośnych i modulujących w jednym złączu oraz różnicą sygnałów w drugim złączu przy użyciu generatorów sygnałów zestawu ADALM2000. Dołącz na płytce prototypowej wyjście pierwszego generatora W1 do wolnej końcówki rezystora R1, a wyjście drugiego generatora, W2 do wolnego końca rezystora R2. Dołącz wejście 1+ oscyloskopu do połączenia D1, D3 i R4. Dołącz wejście 1– oscyloskopu do węzła łączącego D2, D4 i R3. Dołącz węzeł między R3 i R4 do uziemienia. Połączenia przedstawiono na rysunku 8.

Rys. 8. Połączenia uproszczonego modulatora kołowego bez transformatorów na płytce prototypowej
Procedura
W tym ćwiczeniu wykorzystamy falę nośną o równaniu fc = 3sin(10kt) oraz sygnał modulujący o równaniu fm = 0,5sin(1kt). Początkowo dwa przebiegi są mnożone ze sobą, a sygnał wyjściowy jest ich iloczynem. Zawiera on częstotliwość górnej wstęgi bocznej fusf oraz częstotliwość dolnej wstęgi bocznej flsf. Ich definicje są następujące:
fusf = fc + fm
flsf = fc – fm
gdzie:
- fc = sygnał nośny
- fm = sygnał modulujący
W tym uproszczonym podejściu wstęgi boczne będziemy bezpośrednio podawać do wejścia. Biorąc pod uwagę falę nośną i sygnał modulujący, otrzymamy f(t) = 3sin(10kt) + 0,5sin(1kt) dla wstęgi górnej i f(t) = 3sin(10kt) – 0,5sin(1kt) dla wstęgi dolnej.
W kanale W1 generatorze sygnału ustaw równanie f(t) = (3 × sin(10×t)) + (0,5 × sin(t)) z częstotliwością 1 kHz, w kanale W2 generatora ustaw f(t) = (3 × sin(10×t)) – (0,5 × sin(t)) z tą samą częstotliwością 1 kHz. Ustaw podstawę czasu oscyloskopu na 200 μs/dz, a czułość pionową na 500 mV/dz. Uruchom generator sygnału i oscyloskop, a następnie obserwuj przebieg. Powinien być podobny do tego, który jest pokazany na rysunku 9.

Rys. 9. Przebieg z uproszczonego (bez transformatora) modulatora kołowego
Pytania
- Co się stanie, jeśli zmienimy wartości rezystorów z rysunku 7? Zmień R1 i R2 na rezystory 1 kΩ. Co stanie się z amplitudą przebiegu wyjściowego? Przywróć R1 i R2 do poprzednich wartości. Zmień R3 i R4 na rezystory 1 kΩ i ponownie obserwuj przebieg wyjściowy.
Odpowiedzi znajdziesz na blogu StudentZone.
Opracowanie: Jarosław Doliński

Generator Peltza – eksperyment z użyciem zestawu ADALM2000
Podstawowe konfiguracje wzmacniaczy operacyjnych
Generator impulsowy – pomiary wykonane z użyciem ADALM2000 







