Detektory FM
W artykule opisujemy zasady demodulacji FM wraz z przykładami detektorów FM.
Cel
Celem ćwiczenia jest przedstawienie podstawowych zasad demodulacji FM, a także różnych układów używanych do detekcji informacji z odebranego sygnału FM.
Kontekst
Aby zapewnić skuteczną komunikację, zarówno nadawca, jak i odbiorca muszą uzgodnić, jakiego kanału komunikacyjnego będą używać. Następnie nadawca koduje wiadomość i przesyła ją do odbiornika. Odbiorca odbiera wiadomość i dekoduje ją.
W przypadku komunikacji FM detekcja informacji polega na demodulacji sygnału FM.

Rys. 1. Odtwarzanie sygnału modulującego w demodulatorze FM
Detektory FM to układy, które przekształcają zmiany częstotliwości sygnału nośnego na sygnał analogowy reprezentujący informację zakodowaną tą metodą. Są one również znane jako demodulatory częstotliwości lub dyskryminatory. Funkcja przenoszenia detektora FM jest nieliniowa. Jednak, gdy działa on w zakresie liniowym, można ją określić jako:

gdzie:
- VOUT – napięcie wyjściowe (informacja), [V]
- fINPUT – wejściowy sygnał FM, [Hz]
- Kd – funkcja przenoszenia, [V/Hz]
Do wejścia detektorów FM jest podawany sygnał o zmiennej częstotliwości i stałej amplitudzie. Układy te przekształcają chwilowe zmiany częstotliwości na zmiany amplitudy. W ten sposób każdy poziom napięcia na wyjściu odpowiada jego chwilowej zmianie częstotliwości na wejściu detektora. Dlatego jednostka funkcji przenoszenia demodulatora FM jest wyrażona w woltach na herc.
Podobnie jak w modulacji AM, modulacja FM ma również indeks modulacji. Jest on równy stosunkowi odchylenia (dewiacji) częstotliwości do częstotliwości modulującej. Dewiacja częstotliwości to wielkość zmiany lub wahania częstotliwości nośnej wytwarzanej przez sygnał modulujący. Wskaźnik modulacji FM jest zdefiniowany jako:

gdzie:
- Delta f – dewiacja częstotliwości
- fm – częstotliwość modulacji
Podobnie jak w modulacji AM, wskaźnik modulacji FM, m jest miarą szczytowego odchylenia częstotliwości. Wyraża więc szczytową częstotliwość odchylenia jako wielokrotność maksymalnej częstotliwości modulacji. Aby to zilustrować, przyjrzyjmy się rysunkowi 2.

Rys. 2. Przykładowy sygnał FM
Częstotliwość sygnału nośnego jest równa 1 kHz, częstotliwość modulacji 100 Hz, a indeks modulacji wynosi 3. Biorąc pod uwagę ten parametr, odchylenie częstotliwości szczytowej jest równe 300 Hz. Częstotliwość będzie więc wahać się między 700 Hz a 1300 Hz.
W praktyce możemy spotkać się z kilkoma typami demodulatorów FM. Są to:
- Detektory zbocza
- Dyskryminatory Fostera-Seeleya
- Detektory stosunkowe
- Dyskryminatory uśredniające impulsy
- Detektory kwadraturowe
- Pętle synchronizacji fazowej
Przeanalizujmy teraz działanie detektora zbocza. Na tym przykładzie poznamy podstawową funkcję demodulatora FM.
Detektor zbocza
Detektor zbocza, inaczej znany jako single-ended slope detector, jest najprostszą formą demodulatora FM. Jest to typ demodulatora częstotliwości z dostrojonym obwodem, w którym sygnały FM są zamieniane na AM. Służą do tego dostrojone obwody LC. Informacja jest wyodrębniana z obwiedni AM za pomocą szeregowego połączenia diody i kondensatora (konwencjonalny detektor szczytowy). Taki detektor może być używany z dowolnym radiem, nawet jeśli nie ma ono zakresu FM. Jego działanie zależy od selektywności odbiornika. Jest to podstawowy układ dla wszystkich dyskryminatorów z dostrajanym obwodem. W jego skład wchodzi dostrojony obwód LC i diodowy detektor szczytowy stanowiące podstawowe elementy typowego dyskryminatora częstotliwości z obwodem dostrojonym. Na rysunkach 3 i 4 przedstawiono tradycyjny i uproszczony schemat detektorów.

Rys. 3. Detektor zbocza

Rys. 4. Beztransformatorowy detektor zbocza
Detektor zbocza ma bardzo prostą budowę, ale niestety odznacza ąsię najbardziej nieliniową charakterystykę napięcia w funkcji częstotliwości. Cecha ta powoduje, że jest on rzadko stosowany. Na rys. 5. przedstawiono charakterystykę napięcia w funkcji częstotliwości.

Rys. 5. Charakterystyka napięcia w funkcji częstotliwości detektora zbocza
Odmianą detektora zbocza jest zrównoważony detektor zbocza. Składa się on z dwóch pojedynczych detektorów zbocza połączonych równolegle i sterowanych w przeciwfazie.
Procedura
Otwórz plik symulacji (układ z rys. 6). Do wejścia układu podawany jest sygnał FM o częstotliwości modulującej 1 kHz, amplitudzie nośnej 5 V, częstotliwości 20 kHz z indeksem modulacji 5. Dostrojony obwód utworzony przez C1 i L1 zamienia sygnał FM na AM, a detektor szczytowy utworzony przez D1, R2 i C2 wyodrębnia informacje z obwiedni AM.
Uruchom plik symulacji i obserwuj przebiegi.

Rys. 6. Układ symulowanego detektora zbocza
Obserwowane przebiegi powinny być podobne do przedstawionych na rys. 7.

Rys. 7. Przebiegi detektora zbocza
Inne układy
Dyskryminator Fostera-Seeleya i detektory stosunkowe
Dyskryminator Fostera-Seeleya i detektor stosunkowy były szeroko stosowanymi demodulatorami FM w odbiornikach radiowych, w których zazwyczaj były używane elementy dyskretne. Na rys. 8 przedstawiono schemat dyskryminatora Fostera-Seeleya, a na rys. 9 detektor stosunkowy. Na pierwszy rzut oka oba obwody są podobne. Mają one transformator RF i parę diod, ale w przeciwieństwie do detektora stosunkowego, układ Fostera-Seeley;a nie ma trzeciego uzwojenia. Zamiast niego został zastosowany dławik.

Rys. 8. Dyskryminator Fostera-Seeleya

Rys. 9. Detektor proporcji
Oba demodulatory są proste do skonstruowania przy użyciu elementów dyskretnych i zapewniają dobre parametry i liniowość. Jednak układ Fostera-Seeleya zapewnia wyższe napięcie wyjściowe i mniejsze zniekształcenia niż detektor stosunkowy. Z kolei detektor stosunkowy odznacza się lepszą odpornością na szum amplitudowy i ma szersze pasmo przenoszenia w porównaniu do konfiguracji Fostera-Seeley’a. Wadą obydwu demodulatorów jest wysoki koszt ich transformatorów oraz trudność umieszczenia tych elementów w układzie scalonym. W rezultacie konfiguracje te znajdują obecnie jedynie ograniczone zastosowania.
Dyskryminatory uśredniające impulsy
Do odtwarzania oryginalnego sygnału modulującego przy użyciu dyskryminatora uśredniającego impulsy zastosowany jest w nim detektor przejścia przez zero, multiwibrator monostabilny (one-shot) i filtr dolnoprzepustowy. Schemat blokowy dyskryminatora uśredniającego impulsy przedstawiono na rys. 10, a na rys. 11 obserwujemy występujące w nim przebiegi.

Rys. 10. Schemat blokowy dyskryminatora uśredniającego impulsy
Jest to demodulator częstotliwości bardzo wysokiej jakości i był stosowany niemal wyłącznie w drogich zastosowaniach telemetrycznych i układach automatyki przemysłowej. Dostępność tanich układów scalonych spowodowała, że obecnie dyskryminator uśredniający impulsy można łatwo wdrożyć, co spowodowało, że jest on obecnie stosowany w wielu produktach elektronicznych.
Rys. 11. Przebiegi występujące w dyskryminatorze uśredniającym impulsy: (a) wejście FM, (b) wyjście detektora przejścia przez zero, (c) wyjście pojedynczego wyzwolenia, (d) wyjście dyskryminatora (oryginalny sygnał modulujący)
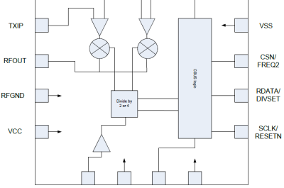
Detektory kwadraturowe
Detektor kwadraturowy (rys. 12) jest prawdopodobnie najczęściej używanym demodulatorem FM. Zastosowano w nim układ przesuwnika fazowego wytwarzający sygnał przesunięty w fazie o 90° dla niemodulowanej częstotliwości nośnej. Detektor ten jest używany głównie w demodulacji telewizyjnej i niektórych stacjach radiowych FM.

Rys. 12. Schemat blokowy detektora kwadraturowego
Pętle synchronizacji fazowej
Pętla synchronizacji fazowej (PLL) jest obwodem sterowania ze sprzężeniem zwrotnym wrażliwym na częstotliwość lub fazę. Wszystkie pętle PLL mają trzy podstawowe elementy: detektor fazy, filtr dolnoprzepustowy i generator przestrajany napięciem (VCO). PLL są wykorzystywane w demodulacji częstotliwości, syntezatorach częstotliwości oraz różnych aplikacjach filtrowania i wykrywania sygnału. Schemat blokowy PLL przedstawiono na rys. 13.

Rys. 13. Schemat blokowy pętli synchronizacji fazowej
Układ pętli synchronizacji fazowej używanej jako demodulator FM jest chyba najprostszy do zrozumienia. Uzyskiwany w demodulatorach FM pracujących w tej konfiguracji stosunek sygnału do szumu jest lepszy niż w jakichkolwiek innych typach detektorów FM. Jest to możliwe dzięki zapewnieniu dużej selektywności częstotliwości i filtrowania.
Eksperymenty z pętlą fazowy były opisane w artykule Eksperymenty z pętlą synchronizacji fazowej (PLL)
Źródło: https://www.analog.com/en/resources/analog-dialogue/studentzone/studentzone-november-2024.html
Autor oryginału: Antoniu Miclaus
Opracowanie: Jarosław Doliński


Demodulator kwadraturowy dla systemów satelitarnych ADMV4540 w ofercie Mouser
Podstawy cyfrowej transmisji radiowej SDR: sygnały kwadraturowe – złożone, ale nieskomplikowane 





